Create the Roof Opening for RV Rooftop SystemsUpdated a minute ago
Introduction
This article explains how to create the roof opening for RV rooftop systems.
Preparation for Installation
- Unscrew and remove the screws to detach the vent.
- Remove all joint fillers around the opening.
- Seal all screw holes and joints on the roof washer using a high-quality, all-weather sealant to ensure a proper seal.
Create the New Roof Opening
Wiring may be present between the roof and ceiling. Before installation, ensure that the power supply is turned off. Failure to follow this instruction can result in electric shock, potentially leading to serious injury or death.
Ensure that there are no obstacles within a minimum distance of 1.5 feet (457 mm) from the back of the vehicle body.
Position the roof opening between the roof reinforcements and extend through both the roof and ceiling of the RV.
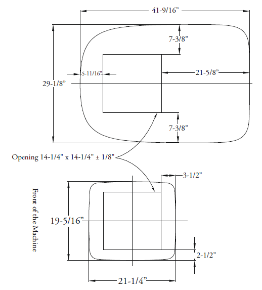
- Mark a 14-1/4" x 14-1/4" ± 1/8" square on the roof and carefully cut out the opening.
- Cut a matching hole in the ceiling aligned with the roof opening.

- If the opening exceeds 14-3/8" x 14-3/8", employ liners or fillers to seal the leftover gap.
- If the opening is less than 14-1/8" x 14-1/8", enlarge the opening.
Electrical Setup
- All wiring methods must comply with all applicable national and local electrical regulations.
- Install a fuse or circuit breaker and ensure proper grounding. Extend a field-supplied 12 AWG copper cable from the circuit breaker to the front position of the roof opening.
- The power line must be on a dedicated 20A time delay circuit breaker.
- Ensure that the wire extends at least 15 inches (381 mm) into the roof opening to facilitate the installation of the main air conditioning unit.
- If the existing wire from the removed ventilator is of an appropriate size and the fuse specification is suitable, it may be reused.
- Use an appropriate conduit to protect any wires entering the opening.
Roof Opening Treatment
Properly support the roof opening and fill the roof interlayer with insulating materials.
To prevent vibration caused by the air within the upper interlayer, seal the perimeter using battens or insulating strips that are at least 3/4 inch thick.
Additionally, provide an entry point for the power line. 
The 14-1/4" x 14-1/4" ± 1/8" roof opening forms an integral part of the return air duct. It must be smoothened and finished in accordance with industry standards.