Understand the LED Screen & Icons for the RC410TG Remote ControlUpdated 3 months ago
Introduction
This article explains the LED screen and icons for the RC410TG remote controller.
The RC410TG remote controller is for the following systems:
- Diamante Essenza High-Wall (WYT-17)
- Diamante Pro High-Wall (WYT-20)
- Quantum Hyperformance High-Wall (WYT-25)
- Quantum Ultra Ceiling Cassette (CYT-24)
- Quantum Ultra Ducted Ceiling Concealed (RYT-24)
- Quantum Ultra Floor-Ceiling Flex (UYT-24)
- Quantum Ultra High-Wall (WYT-24)
- Quantum Ultra Multi-Zone
Note: The Quantum Fresh High-Wall series has a remote controller with a slightly different LED screen and icons. Click this link for information on the RC410TG-F remote controller.
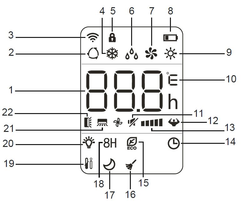
Overview of the LED Screen & Icons
No. | Icon | Description |
|---|---|---|
| 1 | ![]() | Temperature indicator |
| 2 | ![]() | Auto mode |
| 3 | ![]() | Signal transmit indicator |
| 4 | ![]() | Cooling mode |
| 5 | ![]() | Child lock indicator |
| 6 | ![]() | Dry mode |
| 7 | ![]() | Fan Only mode |
| 8 | ![]() | Battery level indicator |
| 9 | ![]() | Heating mode |
| 10 | ![]() | Unit of temperature (°C/°F) |
| 11 | ![]() | Mute function |
| 12 | ![]() | Turbo mode |
| 13 | ![]() | Fan speed (Auto or Fixed) |
| 14 | ![]() | Timer active indicator |
| 15 | ![]() | ECO mode |
| 16 | ![]() | Self-Clean function |
| 17 | ![]() | Sleep function |
| 18 | ![]() | 8°C (46°F) Heating function |
| 19 | ![]() | I Feel mode |
| 20 | ![]() | LED display on/off |
| 21 | ![]() | Left-Right swing indicator |
| 22 | ![]() | Up-Down swing indicator |





















