Control Board Wiring Diagrams for Quantum Ultra Floor-Ceiling Flex (UYT-24) SystemsUpdated 2 months ago
Introduction
This article provides control board wiring diagrams for Quantum Ultra Floor-Ceiling Flex (UYT-24) systems. This article includes control board wiring diagrams for the indoor and outdoor units.
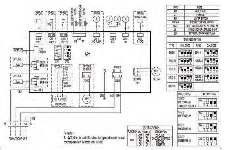
Indoor Units
UT018GLSILCFHG | UT024GLSILSFHG
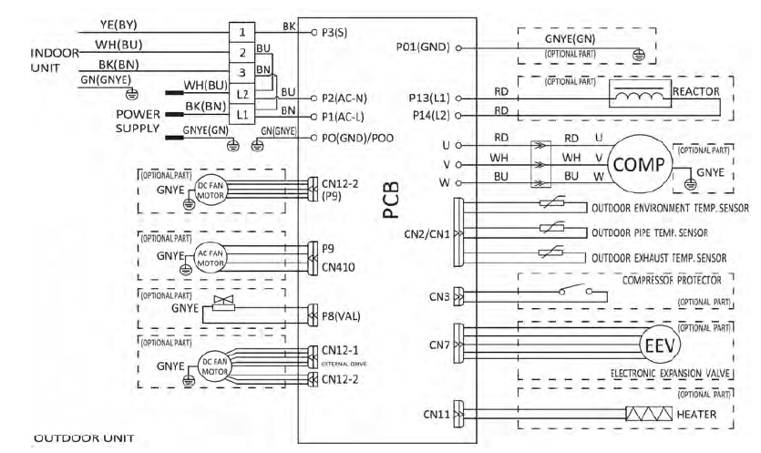
Outdoor Units
YN018GLSI24RPG | YN024GLSI24RPG