Control Board Wiring Diagrams for Quantum Ultra Ceiling Cassette (CYT-24) SystemsUpdated 2 months ago
Introduction
This article provides control board wiring diagrams for Quantum Ultra Ceiling Cassette (CYT-24) systems. This article includes control board wiring diagrams for the indoor and outdoor units.
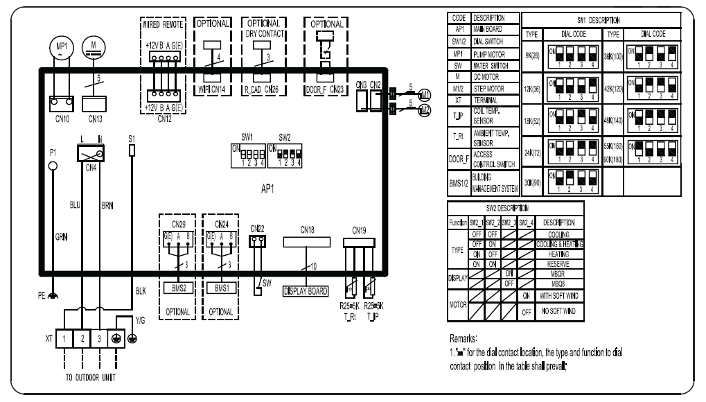
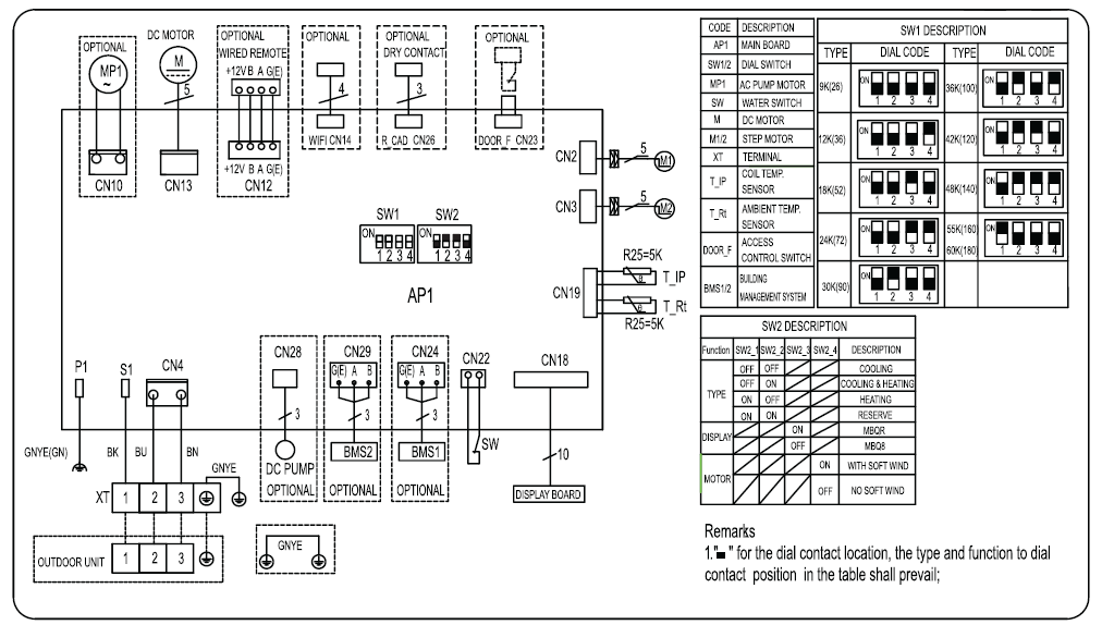
Indoor Units
CT009GLSILCFHG | CT012GLSILCFHG | CT018GLSILCFHG
CT024GLSILCFHG
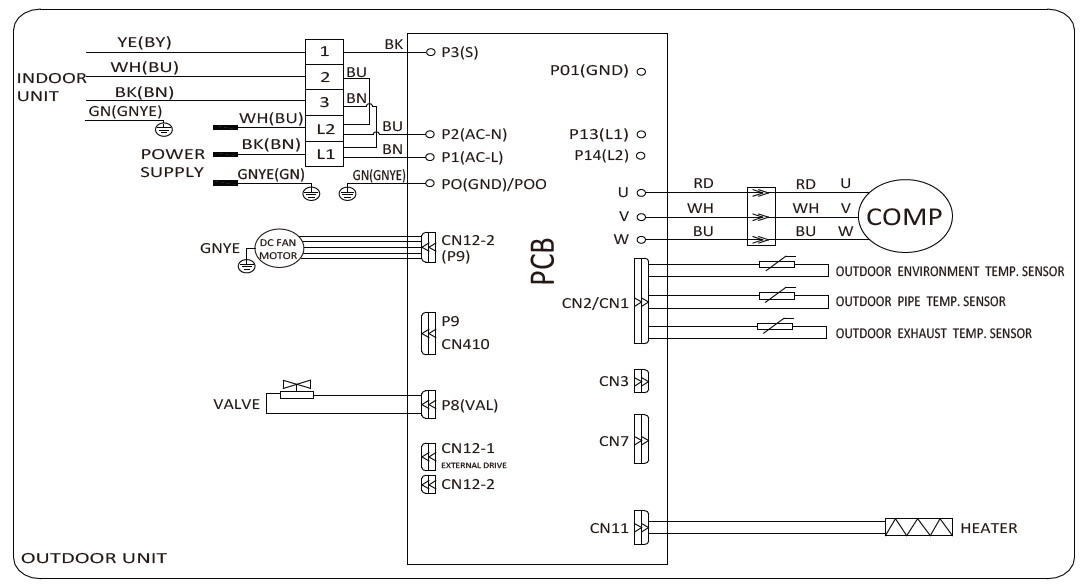
Outdoor Units
YN009GLSI24RPG | YN012GLSI24RPG | YN018GLSI24RPG | YN024GLSI24RPG