Control Board Wiring Diagrams for Quantum Hyperformance (WYT-25) SystemsUpdated 2 months ago
Introduction
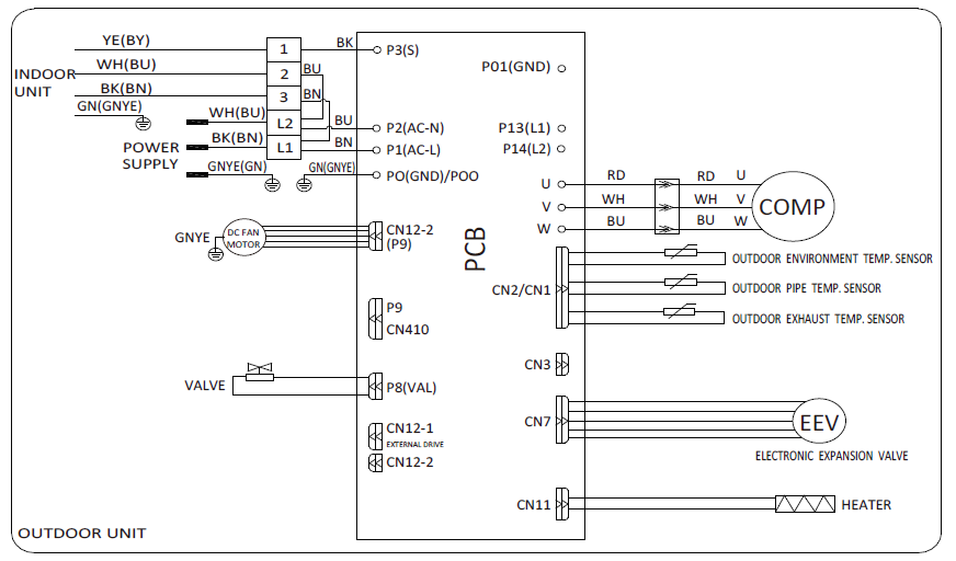
This article provides control board wiring diagrams for Quantum Hyperformance (WYT-25) systems. This article includes control board wiring diagrams for the indoor and outdoor units.
Indoor Units
WT009GLSI25HLH | WT012GLSI25HLH | WT018GLSI25HLH | WT024GLSI25HLH
Outdoor Units
YN009GLSI25RPH | YN012GLSI25RPH | YN018GLSI25RPH | YN024GLSI25RPH