Control Board Wiring Diagrams for Quantum Fresh (WYT-FA) SystemsUpdated 2 months ago
Introduction
This article provides control board wiring diagrams for Quantum Fresh (WYT-FA) systems. This article includes control board wiring diagrams for the indoor and outdoor units.
Indoor Units
WT012GLUI25FVQ

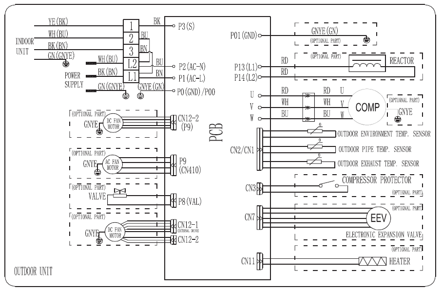
Outdoor Units
YN012GLUI25RPQ