QHD070AUDH26WH Parts ListUpdated 3 months ago
This article includes the part list for QHD070AUDH26WH systems. This system is part of the QHD070 Whole-House Ducted Dehumidifier (QHD) series.

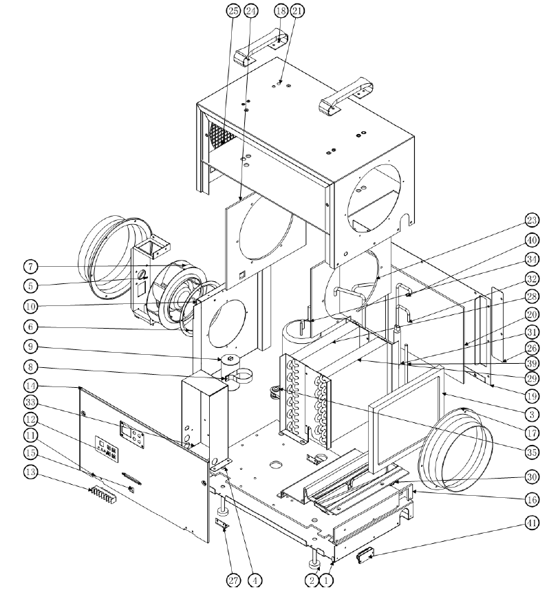
| No. | Part Name | Quantity | No. | Part Name | Quantity |
| 1 | Chassis | 1 | 22 | Filter Mesh Holder | 1 |
| 2 | Foot | 4 | 23 | Airflow Adhesive | 1 |
| 3 | Filter | 1 | 24 | Air Inlet Adhesive | 1 |
| 4 | Chassis Paste | 1 | 25 | Shell Adhesive | 1 |
| 5 | Fan Bucket | 1 | 26 | Filter Baffle | 1 |
| 6 | Air Guide | 1 | 27 | 1-1/2" Hinge | 2 |
| 7 | Fan | 1 | 28 | Condenser | 1 |
| 8 | Compressor Capacitor | 1 | 29 | Evaporator | 1 |
| 9 | Capacitor Hoop | 1 | 30 | Drain Pan | 1 |
| 10 | Middle Bracket | 1 | 31 | Filter Drier | 1 |
| 11 | Front Plate | 1 | 32 | Liquid Outlet Pipe | 1 |
| 12 | Interface | 1 | 33 | Electrical Box | 1 |
| 13 | Terminal Block | 1 | 34 | Compressor | 1 |
| 14 | Front Panel Adhesive | 1 | 35 | Compressor Feet | 3 |
| 15 | Adapter Mounting Plate | 1 | 36 | Return Vent 1 | 1 |
| 16 | Chassis Adhesive | 1 | 37 | Return Vent 2 | 1 |
| 17 | 8" Air Outlet | 2 | 38 | Tee Pipe | 1 |
| 18 | Handles | 2 | 39 | Low Pressure Pipe | 1 |
| 19 | Rear Panel | 1 | 40 | High Pressure Pipe | 1 |
| 20 | Rear Panel Adhesive | 1 | 41 | Temperature & Humidity Sensor | 1 |
| 21 | Shell | 1 | / | / | / |