QHD070 Whole-House Ducted Dehumidifier (QHD) OverviewUpdated 3 months ago
Introduction
With a 70-pint-per-day capacity at standard conditions, the QHD070 Whole-House Ducted Dehumidifier (QHD) ensures optimal moisture removal. Its built-in water pump and manual drain option provide unmatched convenience, while the washable SUS304 filter ensures consistent airflow at 280 CFM with a boost option. .jpg)
This dehumidifier, which is designed for durability, operates in a wide temperature range of 41-104°F (5-40°C).
The system's digital electronic controller offers seamless integration, remote monitoring, and compatibility with third-party controllers.
Full System Model Number
QHD070AUDH26WH
For more information, see this brochure.
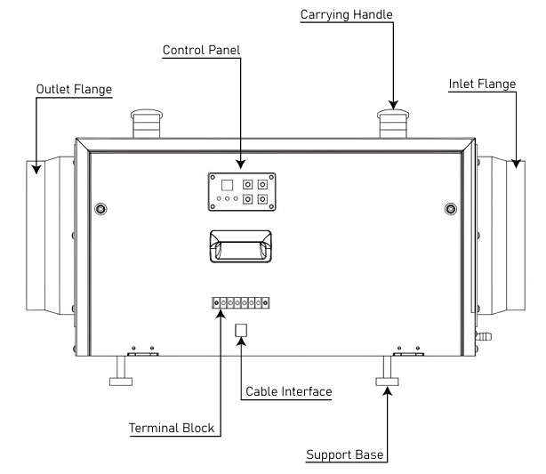
System Components
These illustrations are for explanatory purposes. The actual shape of the indoor unit may be slightly different. The shape shall prevail.
