Control Board Wiring Diagrams for Diamante Pro (WYT-20) SystemsUpdated 2 months ago
Introduction
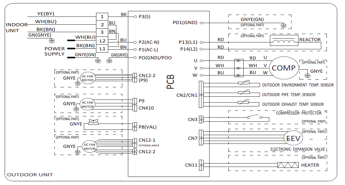
This article provides control board wiring diagrams for Diamante Pro (WYT-20) systems. This article includes control board wiring diagrams for the indoor and outdoor units.
Indoor Units
WT009ALSI20HLF | WT012ALSI20HLF | WT009GLSI20HLF | WT012GLSI20HLF | WT018GLSI20HLF
WT024GLSI20HLF | WT030GLSI20HLF | WT036GLSI20HLF
Outdoor Units
YN009ALSI20RPF | YN012ALSI20RPF
YN009GLSI20RPF | YN012GLSI20RPF | YN018GLSI20RPF | YN024GLSI20RPF | YN030GLSI20RPF | YN036GLSI20RPF